|
back to www.audiodesignguide.com |
To
get more information contact me at: |
INTRODUCTION
In my life the main guides to learn DIY audio design are the
many articles
published by Bartolomeo Aloia on italian
magazines.
He have design many hi-end amplifiers and reference loudspeakers always
searching the best performances.
Bartolomeo Aloia sell this projects as final
products and as modular kits.
This project born to create the best phono preamplification without compromises
and with direct MC input (transformer less).

DESIGN
This phono preampl. is based on a hybrid design using
vacuum tubes and transistor or fet.
The RIAA network is passive and there is no feedback.
It could work with a single active stage (OUT1) when the final stage have
a high input impedance about 1Mohm.
The jumper 3 (JU3) can be close to add a subsonic filter but it not used in
normal use and R21 is open.
If you look the schematic below it seem to be complex but it is simple.
The MC input signal is amplified by the transistors, in parallel to reduce
noise, and by a totem pole (V1 and V2) driven on cathode by these transistor.
The MM input, when used, is amplified by the fet and by the same totem pole (V1
and V2).
If the subsonic filter is not active the V1A (6922/ECC88) grid is connected to
ground by R17 and C9.
The V3A get the signal from the hybrid input stage and it drive the passive RIAA
filter.
This V3A is necessary to drive the RIAA filter with the same output impedance on
both case MC and MM input selection.
The output stage (V4 and V5), when used, increase the dynamic and reduce the
output impedance.
This project use a reference power supply with two no feedback regulator in series with different topology, one on high voltage PSU board using transistors and one on Preampl. board using mosfet.
Bartolomeo Aloia sell this main board assembled and testes at a cost about 500 euro and It can be ordered by Audiokit or directly to these email address:
bartolomeo.aloia@fastwebnet.it
The chassie used is a HiFi2000 Galaxy GX 388 buy at Audiokit webshop.

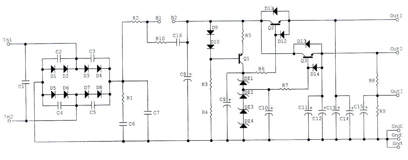
POWER SUPPLY DESIGN
The power supply is composed by 3 boards: two are for the
filaments and one for the anodic.
The filaments must be separated for the upper and lower tubes to keep Vkf low so
one is refered to ground and one to half anodic voltage.
These filaments boards use a common LM317 linear regulator in the soft turn-on
configuration to have a long tube life.
The anodic power supply use separated regulator per each channel and many particular fixs to smooth current peak generation.